产品
k8凯发电竞焊接/搬运专家
始于焊接,不止于焊接
始于焊接,不止于焊接
• 配置独立于控制系统的安全急停板,采用进口强制型断开继电器,对外提供双回路急停,确保急停的可靠性。
• 内置滤波器,有效隔离外部干扰和防止内部干扰输出。
• 本体电缆采用日本大电高柔机器人专用电缆。
• 本体提供双回路气管,满足搬运的需求。
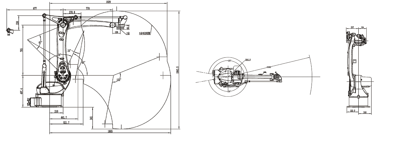
• 4轴为25型谐波减速机结构,刚性更强,满足搬运场景的特殊要求。
• 拉杆关节采用高防护设计,保证防尘防水性能,高使用寿命。


