产品
k8凯发电竞焊接/搬运专家
始于焊接,不止于焊接
始于焊接,不止于焊接
臂展3.2米,刚性高,负载能力强,运行更平稳,负载能力为150kg,比上一代提升约15%。
手臂电机内置,外观简洁,适用狭小空间作业,运动更灵活。
采用高速,高过载能力伺服电机,高精度RV减速机与最新防振控制策略,缩短节距操作时间。
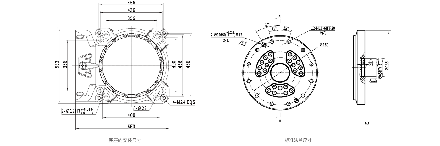
整机安装占地面积少,可实现高密集度的安装布线,多台协作作业。
机器人结构简洁,操作界面友好,易于维护保养。


